- 集团网站
- 选择区域/语言
登录
全面支持ONVIF 及GB/T28181 标准
采用单颗高性能嵌入式芯片及LINUX操作系统
32路H.265/H.264混合接入实时录像
支持HDMI超高清4K显示
支持2个HDMI和1个VGA,双屏拼接、扩展
支持2个千兆网卡
4个通道录像同步回放
采用标准H.265/H.264视频压缩算法
接入图像质量12MP/8MP/6MP/5MP/3MP/1080P/720P
支持手机远程监控
320M接入/320M存储/256M转发
8个SATA硬盘接口,最大支持6TB硬盘
支持硬盘冗余录像方式
支持语音对讲
智能时间标签/分时回放/高速回放
系统 |
主处理器 |
工业级嵌入式微控制器 |
操作系统 |
嵌入式 LINUX 操作系统 |
|
系统资源 |
320M 接入 /320M 存储 /256M 转发 |
|
视频参数 |
画面显示 |
1/4/8 /9/16/32 画面显示( 双屏拼接、扩展 ) |
录像图像质量 |
12MP/8MP/6MP/5MP/3MP/1080P/720P/D1/CIF |
|
视频压缩标准 |
H.265/H.264/MPEG |
|
码流类型 |
限定码流,可变码流 |
|
回放图像质量 |
4K/1080P/720P/D1/CIF/QCIF |
|
录像管理 |
本地回放 |
支持 4 路同步回放 |
录像查询方式 |
智能时间标签、时间点检索、日历检索、事件检索、通道检索 |
|
录像保存 |
本机硬盘 / 网络 |
|
备份方式 |
网络 /USB/ 本机硬盘 /eSATA |
|
视频 |
视频输入 |
32 路H.265/H.264混合接入 |
VGA 输出 |
1 路 VGA( 最高 1080P 显示输出 ) |
|
HDMI 输出 |
2 路 HDMI , HDMI1 ( 最高 4K 显示输出 ) , HDMI2 (最高 1080P 显示输出) |
|
音频 |
音频压缩 |
G.711 |
音频对讲输入 |
1 路 BNC |
|
音频输出 |
1 路 BNC |
|
外部 I/O |
报警输入 |
16 路报警输入 |
报警输出 |
4 路继电器输出 (24V DC 2A , 120V AC 1A) |
|
RS485 接口 |
2 个 RS485 |
|
RS232 接口 |
1 个 RS232 |
|
USB 接口 |
2 个 USB2.0 和 1 个 USB3.0 |
|
|
硬盘 |
8 块 硬盘 |
eSATA 接口 |
2 个 |
|
硬盘容量 |
3.5”500/750GB/1TB/2TB/3TB/4TB/6TB , SATA 磁盘 |
|
硬盘安装 |
支持热插拔 |
|
网络特性 |
网络键盘 |
支持 |
网络接口 |
2 个 RJ45 10M/100M/1000M 自适应以太网口 |
|
电气特性 |
电源 |
AC220V |
功耗 |
< 35W (不含硬盘) |
|
物理特性 |
工作温度 |
+10 ℃ ~ +55 ℃ |
工作湿度 |
10% ~ 90% RH |
|
大气压 |
86kpa ~ 106kpa |
|
机箱 |
19 英寸标准 2U 机箱 |
|
外型尺寸 |
438( 长 )x433( 宽 )x88( 高 )mm |
|
重量 |
6.5kg |
|
安装方式 |
机架安装,台式安装 |

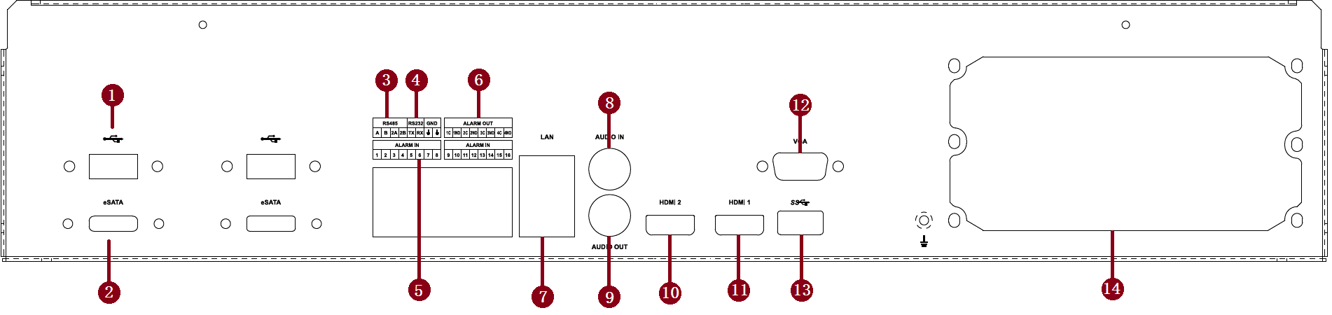
1 –USB2.0接口
2 –eSATA接口
3 –RS485
4 –RS232
5 –报警输入
6 –报警输出
8 –音频输入接口
9 –音频输出接口
10 –HDMI2接口
11 –HDMI1接口
12 –VGA接口
13 –USB3.0接口
14 –电源接口
7 –RJ45